Intensité du courant électrique

  • Posted on: 1 October 2024
  • By: sbana

Exercice 1

Questions de cours 

1. Quel est le symbole de l'intensité du courant électrique ? 

2. Quelle est l'unité de l'intensité du courant électrique ? 

3. Avec quel appareil mesure-t-on l'intensité du courant électrique ? 

4. Quel est le symbole de l'unité de l'intensité du courant ?

5. Comment branche-t-on l'appareil de mesure dans un circuit ? 

Exercice 2

Un fil métallique cylindrique contient $N$ électrons non liés par mètre cube. 

Dans ce fil de section droite d'aire $S$, les électrons circulent à la vitesse d'ensemble $v$ et provoquent un courant d'intensité $I.$
 

1.Pour $I=2 A$, calculer le débit d'électrons à travers la section $S$ du fil (c'est à dire le nombre n d'électrons qui traversent la section $S$ en une seconde).
 
2. Donner la relation qui existe entre $I$, $N$, $S$, $v$ et $e.$

(On appelle e la valeur absolue de la charge d'un électron). 

Calculer la valeur de la vitesse de déplacement des électrons. 

Valeurs numériques : $I=2A$ ; $S=2mm^{2}$ ; $N=8\cdot 10^{28}e-/m^{2}$ ; $\mathrm{e}=1.6\cdot 10^{-19}C$

Exercice 3

1. Une pile porte l'inscription $« 1.8 Ah ».$

L'énergie emmagasinée dans la pile suffit pour faire circuler une charge de $1.8,Ah$ à travers un circuit.

Quand la pile est à plat, il faut faire passer cette même charge par la pile.

Combien de temps faut-il pour recharger la pile qui est 

complètement à plat, si l'intensité du courant de charge est $100\,mA.$

2. Une voiture diesel et une voiture essence possèdent des accumulateurs qui portent respectivement les inscriptions $66Ah$ et $45\,Ah.$

En hiver, par grand froid, le démarreur de la voiture diesel est traversé par un courant d'intensité $300\,A$, celui de la voiture essence par un courant d'intensité $220\,A$

2.1. Lequel des deux démarreurs peut être actionné plus longtemps ?

2.2. Déterminer la charge qui passe par chaque démarreur lorsqu'on 

essaie de démarrer pendant une minute

Exercice 4

On considère le circuit électrique dessiné ci-dessous

Les multimètres fonctionnent en ampèremètre sur le calibre $2000\,mA$
 
1.1. Quel est le symbole normalisé d'un ampèremètre ? 

1.2. Faire le schéma normalisé de ce circuit. 

2. Énoncer la loi d'additivité des intensités dans un circuit comportant des dérivations. 

3. Indiquer la valeur de l'intensité $IG$ du courant délivré par le générateur. 

4. La loi d'additivité des intensités est-elle vérifiée par les  valeurs affichées par les ampèremètres

Exercice 5

On considère le montage de ma figure représentée ci-contre.

L'ampèremètre comporte $100$ divisions et possède les calibres suivants : $3\,A$ ; $1\,A$ ; $300\,mA$ ; $100\,mA$ ; $30\,mA$ et $10\,mA.$

Lorsqu'on utilise le calibre $300\,mA$, l'aiguille de l'ampèremètre s'arrête devant la graduation $30.$

1. Calculer l'intensité du courant qui traverse l'ampèremètre en $mA$ et en $A.$

2. Quels sont les calibres permettant la mesure de l'intensité I ? Préciser le meilleur calibre.

3. Quelle est l'indication de l'aiguille de l'ampèremètre lorsqu'il est utilisé sur le meilleur calibre ?

4. Calculer la quantité d'électricité traversant la section du fil conducteur pendant $2$ minutes.

5. Déduire le nombre d'électrons traversant la section de ce fil pendant $2$ minutes.

Exercice 6

On considère le circuit de la figure ci-contre, Sachant que la quantité $Q$ qui traverse la section du fil $AP$ pendant une minute est $Q=30C.$


 
1. Calculer le nombre d'électrons qui traverse cette section pendant la même durée. 

2. En déduire la valeur de l'intensité du courant $I_{1}$ qui traverse $L_{1}.$

L'ampèremètre $A$ comporte $100$ divisions et possède les calibres suivant : $5A$ ; $1A$ ; $300\,mA$ ; $100\,m$
 
3. Quel est le calibre le plus adapté pour la mesure de l'intensité $I_{1}$ ?
 
4. Devant quelle division l'aiguille de l'ampèremètre s'arrête-t-elle ?     

5. L'intensité débitée par le générateur est $0.8\,A.$

Quels sont les points qui sont considérés des nœuds ?
 
6. Indiquer le sens du courant dans chaque branche. 

7. Déterminer les valeurs des intensités qui traversent les lampes $L_{2}$, $L_{3}$ et $L_{4}$

Exercice 7

Dans les trois circuits suivants, compléter en indiquant le sens du courant dans chaque branche. 

Utiliser la loi de distribution du courant pour déterminer les intensités manquantes.

Exercice 8 

Calibre convenable pour mesurer l'intensité du courant électrique
Un courant continu a une intensité $I=0.4\,A$

1. Calculer la quantité d'électricité $Q$ débitée en $8$ secondes.

2. Déterminer le nombre d'électrons $(n)$ traversant une section du conducteur pendant ce temps.

3. On désire mesurer un courant de $300\,mA$ à l'aide d'un ampèremètre dont le cadran comporte $100$ divisions.

Les calibres de l'ampèremètre sont les suivants : $5A$ ; $500\,mA$ ; $50\,mA.$

3. 1 Comment doit-on brancher l'ampèremètre dans le circuit ?

3. 2 Quel calibre doit-on choisir ? Justifier la réponse.

3. 3 Sur quelle graduation se fixera l'aiguille de l'ampèremètre

Exercice 9

Soit le circuit électrique suivant. 

1. Que peut-on dire des deux points $A$ et $B$ ? 

2. Indiquer le sens des courants manquants dans chaque branche du circuit. 

3. Pour mesurer l'intensité $I$, on utilise un ampèremètre à aiguille dont le calibre est fixé à $10\,A$ et son aiguille indique la graduation $85.$

Calculer $I.$

4. En appliquant la loi des nœuds, écrire :

4.1. Une relation entre $I$, $I_{1}$, $I_{2}$ et $I_{3}$

4.2. Une relation entre $I$, $I_{2}$, et $I_{4}$
 
4.3. Une relation entre $I_{3}$, $I_{4}$,$I_{5}$ et $I_{6}$
 
5. Sachant que $I_{2}=2\,A$, $I_{3}=3\,A$ et $I_{6}=1.5\,A$, calculer les intensités manquantes

Exercice 10
 
1. Un électrolyseur est traversé par $72000$ coulombs pendant $2$ heures. 

Quelle est l'intensité du courant dans les conducteurs d'alimentations ?

2. On recharge durant $12$ heures une batterie d'accumulateurs avec un courant constant d'intensité $5\,A.$

Quelle quantité d'électricité correspond à cette charge ?

3. Sur une batterie de téléphone portable, il est indiqué $1.3\Ah.$

Le téléphone consomme en moyenne $0.08\,A.$

Calculer la durée au bout de laquelle la batterie est complètement déchargée ?
 
4.Dans une installation électrique, $3$ récepteurs sont branchés en parallèle. 

L'intensité dans le récepteur $1$ est de $3\,1A$ l'intensité dans le récepteur $2$ est de $0.5\,A$ et l'intensité totale est de $5.2A.$

Quelle est l'intensité dans le troisième récepteur ?

5. Dans un nœud de $5$ conducteurs on mesure la valeur de l'intensité de $4$ conducteurs suivant le dessin suivant :  

Indiquer le sens de l'intensité du courant du cinquième conducteur. 
Calculer sa valeur

Exercice 11

Soit le circuit de la figure ci-contre où $A_{1}$, $A_{2}$, $A_{3}$, $A_{4}$, $A_{5}$ et $A_{6}$ sont des ampèremètres. 

1. Les cinq lampes $L_{2}$, $L_{3}$, $L_{4}$ et $L_{5}$ sont identiques et l'intensité $I_{1}$ vaut $200\,mA$
 
Déterminer les valeurs des intensités inconnues $I_{2}$, $I_{3}$, $I_{4}$, $I_{5}$ et $I_{6}.$

Indication : le problème présente une symétrie ; tirez-en une conséquence.
 
2. Les cinq lampes ne sont plus identiques. 

Les ampèremètres $A_{1}$ et $A_{2}$ indiquent les intensités : $I_{1}=300\,mA$ ; $I_{2}=100\,mA$ et l'ampèremètre $A_{4}$ révèle le passage d'un courant dans le sens $A$ vers $B$ et d'intensité $I_{4}=50\,mA.$

Déterminer les valeurs des intensités $I_{3}$, $I_{5}$ et $I_{6}.$
 
$\bullet\ $Déterminer l'intensité du courant qui revient au générateur
      
Exercice 12

Soit le circuit électrique suivant : 

1. Que peut-on dire des deux points $A$ et $B$ ?
 
2. Indiquer le sens des courants manquants dans chaque branche du circuit. 

3. Pour mesurer l'intensité $I$, on utilise un ampèremètre à aiguille dont le calibre est fixé à $10\,A$ et son aiguille indique la graduation $85.$

Calculer $I$

 

4. En appliquant la loi des noeuds, écrire :

$-\ $une relation entre $I$, $I_{1}$, $I_{2}$ et $I_{3}$ ;

$-\ $une relation entre $I_{1}$, $I_{2}$ et $I_{4}$ ; 

$-\ $une relation entre $I_{3}$, $I_{4}$, $I_{5}$, et $I_{6}$

5. Sachant que $I_{2}=2A$, $I_{3}=3A$ et $I_{6}=1.5A$, calculer les intensités manquantes.

Exercice 13

On donne : 

$I_{1}=2A$, $I_{2}=6A$, $I_{4}=3A$, $I_{5}=4A$ et $I_{f}=5A$

1. Quelle est la valeur $I_{3}$ du courant traversant $R_{3}$ ? 

2. Calculer l'intensité du courant $Ie$ et l'intensité du courant $Is$ 

3. Calculer la quantité d'électricité transportée par le courant d'intensité $Ie$ en $1$ minute ?

  

Exercice 14

Un courant continu a une intensité  $i+0.4a$
 
1. Calculer la quantité d'électricité $Q$ débitée en $8$ secondes. 

2. Déterminer le nombre d'électrons $(n)$ traversant une section du conducteur pendant ce temps.
 
3. On désire mesurer un courant de $300\,mA$ à l'aide d'un ampèremètre dont le cadran comporte $100$ divisions. 

Les calibres de l'ampèremètre sont les suivants: $5A$ ; $500\,mA$ ;  $50\,mA$

3.1. Comment doit-on brancher l'ampèremètre dans le circuit? 

3.2. Quel calibre doit-on choisir; justifier la réponse. 

3.3. Sur quelle graduation se fixera l'aiguille de l'ampèremètre? 

Exercice 15

1. Une batterie débite un courant $I=1.5\,A$ $I=1.5\,A$ pendant $t=70$ heures. 

Quelle est la charge $Q$ mise en jeu pendant cette durée $t$ ? 

2. Une batterie d'automobile porte l'inscription : $45\,Ah/200\,A$ 

2.1. Pendant quelle durée $t$ la batterie peut-elle débiter un courant $I=1A$ ? 

2.2. Calculer la charge électrique $Q$ que cette batterie fait circuler pendant les deux secondes du démarrage du moteur en admettant que le courant est de $I=120\,A$

3. Un coup de foudre est un phénomène pouvant durer quelques dixièmes de seconde et au cours duquel une suite de $5$ à $40$ décharges électriques ont lieu entre un nuage et le sol.

Chacune de ces décharges met en jeu une quantité d'électricité d'environ $1C$ et dure environ $10\,mu S$

3.1. Quel courant électrique, supposé constant durant la décharge, passe dans le canal de l'éclair ? 

3.2. Que penser de l'hypothèse du courant constant ? 

Exercice 16

On considère les réseaux suivants dans lesquels certains courants sont connus en intensité et en sens. 

Déterminer les caractéristiques (intensité et sens) des courants manquants 

Exercice 17
 
On considère le circuit de la figure ci-dessus Sachant que la quantité 

d'électricité $Q$ qui traverse la section du fil $AP$ pendant une minute est $Q=30\,C$
  
4.1. Calculer le nombre d'électrons qui traverse cette section pendant la même durée.  

4.2. En déduire la valeur de l'intensité du courant $I_{1}$ qui traverse $L_{1}$
 
L'ampèremètre A comporte $100$ divisions et possède les calibres suivant : $5A$ ; $1A$ ; $300\,mA$ ; $100\,mA$

4.3. Quel est le calibre le plus adapté pour la mesure de l'intensité $I_{1}$ ?
  
4.4. Devant quelle division l'aiguille de l'ampèremètre s'arrête-t-elle ?
  
4.5. L'intensité débitée par le générateur est  $0.8A$ 

Quels sont les points qui sont considérés des nœuds?  

4.6. Indiquer le sens du courant dans chaque branche.  

4.7. Déterminer les valeurs des intensités qui traversent les lampes $L_{2}$, $L_{3}$ et $L_{3}$ 

Exercice 18

Déterminer le sens et l'intensité des courants dans les branches $AC$, $BD$ et $AGD$ de la figure sachant que 

$-\ i_{1}=015A$

$-\ i_{4}=0.20A$

$-\ i_{5}=0.02A$

Exercice 19

Donnée : La charge élémentaire :$e=1.6\cdot 10^{19}C$

On considère le montage de la figure ; il est formé : 

$-\ $D'un générateur, dont la borne positive est liée à un ampèremètre à aiguille $A_{0}$ réglé sur le calibre $C=2A$ et de classe $X=1.5$ schématisé sur la figure 

$-\ $De cinq lampes : $L_{1}$, $L_{2}$, $L_{3}$ $(L_{3}$ est identique à $L_{32}$), $L_{4}$ et $L_{5}$, parcourues respectivement par des courants électriques continus d'intensité, $I_{1}$, $I_{2}$, $I_{3}$, $I_{4}$  $\left(I_{4}400\,mA\right)$ et $I_{5}$

$-\ $D'un ampèremètre numérique $A_{1}$

schématisé sur la figure et placé en série avec un électrolyseur dont les électrodes sont liées aux points $J$ et $K$ et qui contient une solution électrolytique de chlorure de fer $III$ :
 
$Fe^{3+}+3C1^{-}$ 

1. Dire comment on utilise un ampèremètre à aiguille. 

2. Calculer l'intensité $I_{0}$ du courant principal débité par le générateur, et déduire l'incertitude relative sur la mesure de cette intensité. 

3. Donner l'encadrement sur la mesure de l'intensité $I_{1}$ 

(Exprimer les résultats en milliampère $m_{A}$). 

4. Déterminer, en $m_{A}$ les intensités $I_{2}$, $I_{3}$ et $I_{5}$

5. L'électrolyseur est traversé par le courant pendant la durée de temps $\Delta_{t}=10\,min.$

1. Donner le nom de chacune des électrodes $J$ et $K$ de l'électrolyseur étudié

5.2. Calculer le nombre de chaque type de porteurs de charges circulants dans l’électrolyseur pendant la 
même durée $\Delta t$

Exercice 20

On considère un circuit électrique ci-dessus : 

1. Donner le sens du courant électrique dans le circuit  

2. Polariser l'ampèremètre. 

3. Donner le sens de déplacement des porteurs de charges dans le circuit.
 
4. L'aiguille de l'ampèremètre se trouve à la division $40$ dans un cadran de $100$ division sachant qu'on utilisé la calibre $C=500\,mA$ 

Calculer les intensités du courant électrique  qui passent dans chaque branche sachant que l'intensité de courant qui traverse la lampe égale à $I_{1}=1A$

Exercice 21
 
On réalise le montage de la figure ci-dessous


 
1. Indiquer le sens des différents courants électriques dans les branches du circuit. 

2. Compléter le tableau des intensités. 

$\begin{array}{|c|c|c|c|c|c|c|c|c|} \hline \text{Branche }&NP&PA&AB&BN&PC&CD&DN&AN\\ \hline
\text{Intensité }(A)&3&&&0.5&&&1&\\ \hline \end{array}$

Exercice 22

Donnée : La charge élémentaire $e=1.6\cdot 10^{-19}C$

Le montage électrique de la figure $1$  contient des éléments numérotés de $(1)$ à $(6)$
 
Les électrodes $(4)$ et $(5)$ sont plongées dans une solution électrolytique de chlorure de fer $III : Fe^{3+}+CI^{-}$

L'élément $(3)$ est réglé sur le calibre , $500\,mA$ de classe $X=1.5$ et a une échelle de $100$ divisions sur son cadran. 

1. Donner le nom de chacun des éléments numérotés de $(1)$ à $(6)$
 
2. Expliquer la nature du courant électrique continu dans les conducteurs métalliques et aussi dans les solutions électrolytiques. 

3. Sur la figure, indiquer par une flèche le sens de déplacement de chacun des $8$ ions représentés par des cercles dans la solution électrolytique après avoir précisé le signe de la charge de chaque ion. 

4. Calculer l'intensité $I_{0}$ du courant traversant le circuit de la figure $1$,

sachant que l'aiguille de l'élément $(3)$ indique la division $80$

5. Déduire l'incertitude relative sur la mesure de cette intensité et conclure.
 
6. La circulation du courant électrique a durée $\Delta t=16\,min$ ; calculer le nombre de chaque type $Fe^{3+}$ et $CI^{-}$ porteurs de charges circulants dans la solution électrolytique étudiée pendant la durée $\Delta t$
 
Exercice 23

Un circuit électrique est constitué d'une source de tension, d'un moteur et d'un conducteur ohmique associés en dérivation. 

L'intensité du courant qui traverse la source de tension est $i=250\,mA$ 

Les intensités des courants circulant dans le moteur et le conducteur ohmique sont respectivement $i_{1}=100\,mA$ et $i_{2}=150\,mA$

1. Proposer une loi des nœuds compatible avec les mesures d'intensité fournies.
  
2. Schématiser le circuit en faisant apparaître les trois flèches d'intensité.
 
Exercice 24
 
En examinant l'intérieur d'un jouet pour enfant, Cédric a découvert qu'il est constitué d'un circuit électrique comportant un générateur $G$ et cinq dipôles différents tel que schématisé ci-dessous.  

1. Il fait fonctionner le jouet pendant une durée $t=45\,min$ et mesure à l'aide d'un ampèremètre les intensités des courants qui traversent les dipôles $D_{1}$ ; $D_{3}$ et $D_{5}$


 
1.1. Définir l'intensité du courant continu. 

1.2. Indiquer à l'aide d'une flèche le sens du courant dans les dipôles $D_{2}$ et $D_{4}$ 

1.3. Calculer en coulomb et ampère-heure, les quantités d'électricités qui traversent les dipôles $D_{1}$ ; $D_{3}$ et $D_{5}$
 
2. En cherchant à représenter sur le schéma les valeurs des intensités du courant sur les autres dipôles, Cédric s'est servi e la loi des nœuds pour les déterminer.
 
2.1. Énoncer la loi des nœuds. 

2.2. Déterminer les intensités du courant dans les branches $GB$, $BC $et dans les dipôles $D_{2}$
 
2.3. En déduire le nombre d'électrons qui, chaque seconde arrivent au nœud $G$

on donne : 

$e=1.6\cdot 10^{-19}C$

3. Cédric utilise à nouveau l'ampèremètre pour mesurer l'intensité du courant qui traverse le dipôle $D_{4}$
  
Celui – ci possède les calibres suivants :  $5.OA$ ; $1.0A$ ; $0.75$ ; $10 \,mA$ et une graduation qui comporte $150$ divisions

Il sélectionne le calibre $0.75\,A$

3.1. Définir le calibre d'un ampèremètre. 

3.2. En utilisant la loi des nœuds, déterminer l'intensité mesurée. 

Justifier le choix du calibre. 

3.3. En déduire la valeur de la déviation $d$ de l'aiguille sur l'ampèremètre. 

Exercice 25

Soit le circuit électrique suivant.
 
1. Que peut-on dire des deux points $A$ et $B$ ? 

2. Indiquer le sens des courants manquants dans chaque branche du circuit.


 
3. Pour mesurer l'intensité $I$, on utilise un ampèremètre à aiguille dont le calibre est fixé 
à $10\,A$ et son aiguille indique la graduation $85$ 

Calculer $I$
 
4. En appliquant la loi des nœuds, écrire : 

4.1. Une relation entre $I$, $I_{1}$, $I_{2}$ et $I_{3}$

4.2. Une relation entre $I_{1}$, $I_{2}$, et $I_{4}$
 
4.3. Une relation entre $I_{3}$ , $I_{4}$, $I_{5}$ et $I_{6}$
 
5. Sachant que $I_{2}=2A$, $I_{3}=3A$ et $I_{6}=1.5A$ calculer les intensités manquantes
 
Exercice 26
 
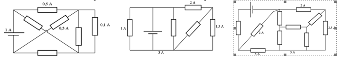
Dans les trois circuits suivants, compléter en indiquant le sens du courant dans chaque branche.  

Utiliser la loi de distribution du courant pour déterminer les intensités manquantes.

Exercice 27

On considère

1. L'ampèremètre $(A)$ possède $100$ divisions, il est utilisé sur le calibre $10A$, l'aiguille s'arrête en face de la division $40$ et indique l'intensité $I$
 
1.1. Préciser le sens de $I$ et calculer sa valeur. 

1.2. En déduire la quantité d'électricité qui traverse une section du fil pendant une minute. 

2. L'ampèremètre $\left(A_{1}\right)$ possède $30$ divisions, l'aiguille indique la graduation 

12 lorsqu'on l'utilise sur le calibre $3A$
 
Calculer l'intensité $I_{1}$ indiquée par $\left(A_{1}\right)$
 
3. Déduire la valeur de l'intensité $I_{2}$ indiquée par $\left(A_{2}\right)$

4. On inverse les branchements du générateur. L'éclat des lampes change-t-il ?
  
5. La lampe $\left(L_{1}\right)$ est grillée, la lampe $\left(L_{2}\right)$ continuera-t-elle à briller ? 

Justifier